Boomer XL3D凿岩台车电源变压器故障分析及处理措施
1 BoomerXL3D凿岩台车电源变压器常见故障概述
根据对阿特拉斯公司的BoomerXL3D凿岩台车近四年的使用情况跟踪,该类凿岩台车主要用于隧道工程,因各类隧道工程所在地区和项目的特殊情况,无法保障该类设备的电源电压稳定,从而导致电路故障。主要有如下几种情况:
1)工程项目刚开工,网电无法及时接入,临时采用发电机供电。通常由于自发电电压极不稳定,且前期用电量负载大,各用电设备启停频繁,造成BoomerXL3D凿岩台车照明系统电源变压器U158以及蓄电池充电电源变压器U40频繁烧毁。
2)较长隧道的工程项目,在凿岩台车距离变压器超过400米时,导致电压压降很大。若因变压器跟进不及时,极易导致照明系统、控制系统以及蓄电池充电电源变压器等烧坏。
3)网电电压不稳定或者其他负载很大且频繁启动,将导致BoomerXL3D凿岩台车输入电压频繁波动,对电器元件造成冲击,特别容易造成照明系统稳压电源变压器以及充电电源变压器损坏。
2 BoomerXL3D凿岩台车电源系统工作原理
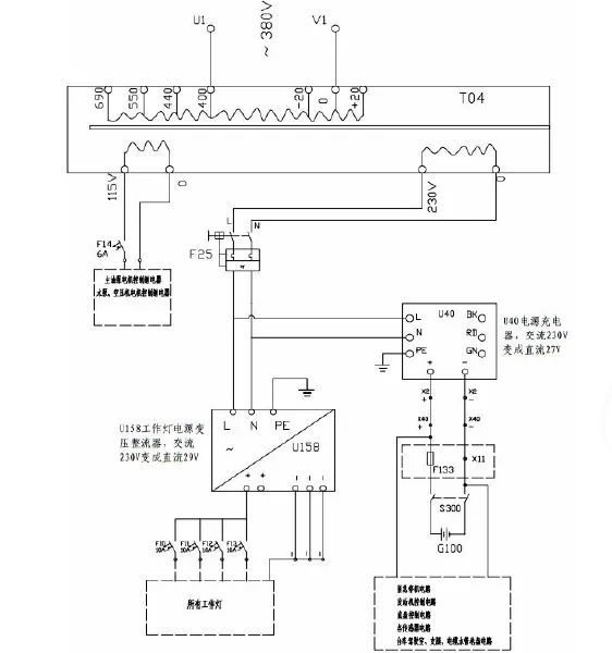
2.1 BoomerXL3D凿岩台车电源供应原理
由于阿特拉斯·科普柯公司提供的BoomerXL3D凿岩台车电路图为逻辑性坐标布置,电路原理分析比较困难和繁杂。因此本文对该凿岩台车电源供给系统厂家图纸进行梳理和分析,将XL3D凿岩台车电路原理图重新整合,有助于提高故障分析能力。根据对原电路图纸中24V直流电控部分第11页和16页,以及380V交流电路图部分的第53、61和62页分析整合,整理出电源供应系统工作原理,如图1。

2.2 电源供给系统电路原理
根据上图1电源变压器系统原理图可以看出,交流电源380V输入后,经过T04变压器转换成115V和230V两路交流电源输出。115V交流电源主要为各电机启动控制继电器提供电源。230V电源分成两路经过U158降压整流后输出29V直流电,供所有工作照明灯使用;经过U40降压整流后输出27V直流电,为底盘控制继电器、凿岩台车支腿、水管电缆卷盘电磁阀以及发动机电路、蓄电池充电和急停电路等控制系统提供电源。
3 BoomerXL3D凿岩台车电源变压器故障分析
3.1 电源变压器正常工作范围
根据上述整合后的电路图以及U158和U40两个电源变压器的铭牌参数,可以查找其额定工作范围。
U158:输入交流电压100~240V,频率50~60HZ,额定电流11.9~5A。输出直流电压24V,电压可调范围18~29.5V,额定电流40A。
U40:输入交流电压230V,频率50HZ,额定电流4A。输出直流电压24V,额定电流30A。
3.2 电源变压器电压波动计算及��析损坏原因
根据上图1,结合变压器工作原理和计算公式,可计算出各变压器变比K,K=U1/U2,U1为变压器一次侧电压,U2为变压器二次侧电压。可得各变压器变比,如下表1。

根据上述变比可以计算出不同输入电压的情况下,U158和U40电压输出情况。如下表2:

表2中一次侧电压选择从340V到430V是根据多个项目实际电压变化情况总结得出的,由此可以看出,对于U158电源变压器:当输入电压低于360V时,U158输出直流电压高于24V,可正常工作;当输入电压高于420V时,其输出电压超过了该电源变压器额定输出电压29V的范围,容易因电压过高烧坏。对于U40电源变压器:当输入电压低于360V时,U40输出电压低于24V,将导致负载电流升高,造成U40超过额定电流而烧坏。当输入电压高于420V时,输出电压超过了额定电压27V,可能造成超过额定电压而烧坏。
根据上述计算分析得出,当输入电压低于360V时或者高于420V时,容易造成U158和U40电源变压器损坏。同时由于隧道施工项目电压不能保证稳定且凿岩台车电机启停频繁,导致电源变压器输入输出电压和电流波动较大,大电流和高电压长时间反复冲击也将导致U158和U40两个电源变压器寿命减短,同时也对设备其他电器元件寿命造成影响。
4 BoomerXL3D凿岩台车电源变压器故障处理措施
根据上述计算分析可以看出,XL3D凿岩台车在外接电源输入电压在340V~430V范围内波动,通过T04变压器以后,由表1可以看出U158和U40两个电源变压器的输入电压在195.5~247.3V范围内波动。为了保证U158和U40的输入电压,可选择一种交流稳压器,将其电压稳定在220V左右,可有效的防止两个电源变压器收到电压冲击造成损坏。
4.1 稳压器的选择
通常稳压器的选择采用功率匹配原则:电源行业的电源产品其输出功率一般是以纯阻型负载来衡量的,而纯阻型负载、线型负载、非线型负载的内在功率因数是不一样的,差别很大。纯阻型负载功率因数为1;线型负载功率因数一般0.6~0.8,非线型负载功率因数一般看作0.2~0.4。因此同功率的电源产品所能匹配不同性质负载的最大功率是不一样的。
同时,电源产品不能长期满负荷带载运行,必须在功率匹配比上留有一定的富余度。长期满负荷100%运行肯定对机器非常不利,出问题的故障率会增大。电源产品带载率应保有30%的富余度比较合适。
因此,结合U158和U40两个电源变压器工作额定电压和电流,计算稳压器可选择的容量和稳压范围。
U158变压器的功率:Pu158=240V*5A=1200W;
U40变压器的功率:Pu40=230V*4A=920W;
可以得出满负荷时,两个变压器总功率为:P=Pu158+Pu40=2120W。
选择稳压器时,考虑30%的富于,即总功率为P0=P×1.3=2756W。
同时根据不同负载功率因素不一致的原因,结合XL3D凿岩台车负载类型,为安全保险起见,取综合功率因素cosφ=0.6。因此可以得出:
稳压器容量S=P0/cosφ=2756/0.6=4.593KVA
综合上述分析和计算,结合目前市场上各类稳压器型号和相关参数,最终选择稳压器容量为5KVA,稳压范围160V~250V,输出电压恒定220V。通过实际使用和对比,选择TND1-5型自动交流稳压器性能稳定,使用效果明显。
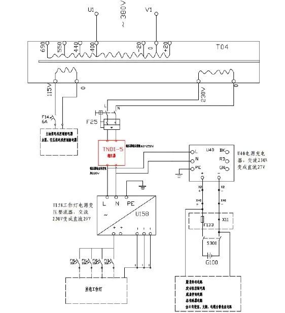
4.2 稳压器安装及电路原理图
为保证稳压器工作环境良好、便于更改原车电力线路,使其工作稳定,保障其工作寿命,将稳压器安装于XL3D凿岩台车水泵电机上方,同时采取防水防尘措施。安装后,其电路原理图如图2:

4.3 预防电源变压器故障其他措施
通过上述分析和计算,对电源变压器电路系统进行改造,加装稳压器,保障其工作电压稳定。能有效的降低电源变压器故障。同时还应注意以下几个方面:
1)尽量保证XL3D凿岩台车工作面与变压器的电缆输电距离不超过400米,能有效保障电压稳定,同时能降低稳压器故障,减少电源变压器故障。
2)凿岩台车所用配电线路必须采用专用线路,不能同其他设备共用线路,可有效减少因其他设备使用导致凿岩台车电源电压压降过大。
3)保证凿岩台车所用电缆线线径必须达到120mm²,减少线路电压损失。
4)尽可能的保障加装稳压器的工作环境,做好防潮防尘措施。可有效延长稳压器寿命,保障电源变压器输入电压稳定。
5 结束语
本文对阿特拉斯科普柯公司生产的BoomerXL3D凿岩台车电源变压器工作原理进行梳理,对常见的故障原因进行分析,查找故障根源。通过计算各电源变压器可承受的工作参数范围,对电源变压器供电电路进行改进,在系统中加装一种交流稳压器,可有效的降低凿岩台车电源供给系统的电路故障。通过本文的分析、计算和说明以及提出的各种预防措施,有助于使用单位对该类凿岩台车进行技术改进,提高设备完好率。