三臂凿岩台车水泵电机接触器频繁烧毁的分析处理
三臂凿岩台车越来越广泛地应用于钻爆法隧道施工。凿岩台车的水路系统起到为凿岩冲渣、液压油冷却和凿岩机降温等作用。水路系统能否正常运行影响着凿岩台车正常的打钻工作,进而影响隧道施工的进度和施工成本。本文针对一起典型的故障,对凿岩台车水路系统的设计和原理进行详细分析。
1 故障描述
中铁工程装备集团隧道设备制造有限公司生产的DJ3D型凿岩台车应用在郑万线湖北段某标段。根据公司现场服务人员反馈,凿岩台车在使用的几个月内,控制水泵电机启停的接触器频繁烧毁。据现场统计,5个月内接触器烧毁了7个。图1为正在掌子面施工的凿岩台车,图2为增压水泵和水泵电机,图3是烧毁接触器内部,可以看出触点都已烧掉。



2 故障分析与排查
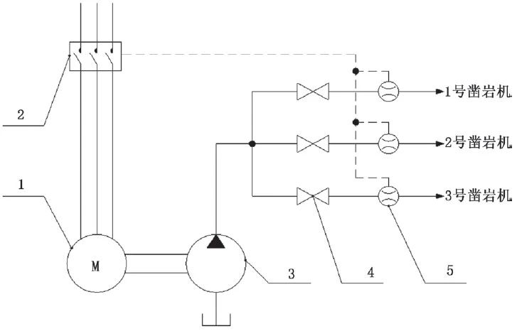
在接到现场反馈的第一时间,凿岩台车流体和电气设计人员就赶赴现场进行故障处理。图4为凿岩台车水路系统原理图。增压水泵的进水一般接隧道内水路,进水具有一定的流量和压力;凿岩台车在正常打钻过程中,3个球阀中任意一个打开,水泵的进水通过流量开关进入到凿岩机内;同时流量开关检测水的流量,在流量超过设定值后触发信号,流量开关将此信号传递给电机接触器进而启动电机,使得水泵启动建立起高压水供给凿岩机正常工作。在3个球阀都关闭后,电机也停止。

图5为流量开关结构原理图,此流量开关为挡板式流量开关。当通过的水流量达到流量开关设定值时,水流推动挡板使得触点接触进而触发信号。流量开关用于限制水泵进水的最小流量,进而保护增压水泵和凿岩机。

在跟随凿岩台车工作几个班后发现,水泵电机在球阀关闭的瞬间频繁快速地启停多次,分析即为接触器烧毁的直接原因。通过分析水路系统原理图和查阅资料,判断接触器频繁烧毁的根本原因是水锤效应。当阀门或泵突然关闭或停止时,后续的水流在惯性的作用下会产生较大压力和振动,水力迅速达到最大并对阀门或系统产生一定的影响或破坏,即水锤效应。当球阀在关闭的瞬间,水路系统中产生水锤效应,水流频繁推动流量开关的挡板,致使水泵电机频繁启停,控制电机的接触器在短时间频繁、快速地开合中继而烧毁。
3 故障解决
根据以上分析和判断,对水路系统进行优化。在水路上增加单向阀,在接触器上增加了延时继电器。优化后的水路系统如图6所示。通过单向阀避免球阀关闭后水流的波动,而延时继电器用于控制水泵电机延时若干秒停止。

根据优化的原理图,对凿岩台车水路系统进行改进。实践显示,从改进至今,水泵电机接触器再未发生过烧毁情况。
4 结语
水锤效应是造成凿岩台车水泵电机接触器频繁烧毁的原因,通过改进水路系统避免了水锤效应的影响。在流体系统设计中必须考虑水锤效应的影响,这对流体设计人员具有一定的实用意义。